Table of Contents
Alimentation de laboratoire
Des vendeurs sur Aliexpress (et d'autres ailleurs surement) vendent un kit pour réaliser une alimentation de laboratoire 0 à 30V, 3A. Ce kit comprend le PCB, les composants. Il manque le transformateur 24V (AC obligatoire), les voltmètre et ampèremètre, le radiateur, le boîtier. Ce kit est vendu pour environ 4€.
Une des alimentations du FUZ est une ancienne alimentation dont le circuit était cramé, et a été remplacé par ce kit.
Projet
Réaliser d'autres alimentations à partir de ce kit pour L'Antenne Paulette ou d'autres qui en ont besoin.
PCB
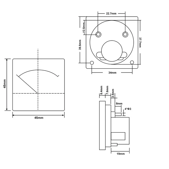
Vu-mètres
L'idée c'est de lui faire un boîtier, avec une jolie façade avec des vu-mètres (un pour les Volts, un pour les Ampères) comme ça :
Transformateur
C'est le plus cher mais ça se récupère assez facilement dans les vieux amplis de chaîne Hi-Fi par exemple. Il doit sortir environ 24V, pas besoin de symétrique (mais s'il y a c'est pas grave) et environ 100W. Prévoir un cube de 10cm de côté dans le boîter pour être un peu large.
Boîtier
Il faut qu'il soit un minimum sécurisé pour qu'on ne s'électrocute pas et que ça ne mette pas le feu (ajouter un fusible, la terre, …). Le bois reste possible même si ça ne doit plus être aux normes d'aujourd'hui.
Façade avant
Prévoir l'emplacement pour :
- Deux vu-mètres
- au moins deux fiches bananes (+ et -), une de plus pour la terre ça peut servir.
- deux trous pour les deux potentiomètres du kit pour le réglage courant max, tension max
- un interrupteur pour allumer le tout (peut se mettre derrière aussi)
- Un trou pour la LED d'indication de limite de courant
- Un LED/ampoule pour dire que c'est allumé si elle n'est pas déjà intégrée à l'inter
Façade arrière
- Porte-fusible
- Connecteur d'alim ou passe-câble
- Radiateur pour le gros transistor (en récup également, genre vieux CPU)
Exemple de réalisation : Exemple


